注目アイテム

【メーカー在庫あり】 (株)ロブテックス エビ ブラインドリベットシールドタイプ(1000本)アルミ/スティール5-6 NSA56C HD

Item Number 1

・リベット本体の頭部が密閉されていますので防水性にすぐれています。

・金属同士の締結、プラスチック類同士の締結の他、異種母材(金属とプラスチック類など)の締結に。

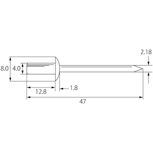
・かしめ板厚(mm):6.4〜9.5・リベット長(mm):14.4・フランジ径(mm):8.0・リベット径(mm):4.0・下穴径(mm):4.1〜4.2・せん断荷重(N):1820・引張荷重(N):2550・頭部径(mm):-・箱入・リベット本体(フランジ):アルミ(A5056)・マンドレル(シャフト):スチール(炭素鋼)・生産国 日本・JANコード 4963202034791・質量 2.28kgNSA56C HD 

Item Number 1

Review Count レビュー件数 0件
Review Average レビュー平均 0(5点満点)
Shop Name ショップ ヒロチー商事 ハーレー 楽天市場店
Price 商品価格 12,939円(税込み)

この商品を買った人は、こちらの商品にも興味をもっています。

こちらも一緒にいかがですか